Product Summary
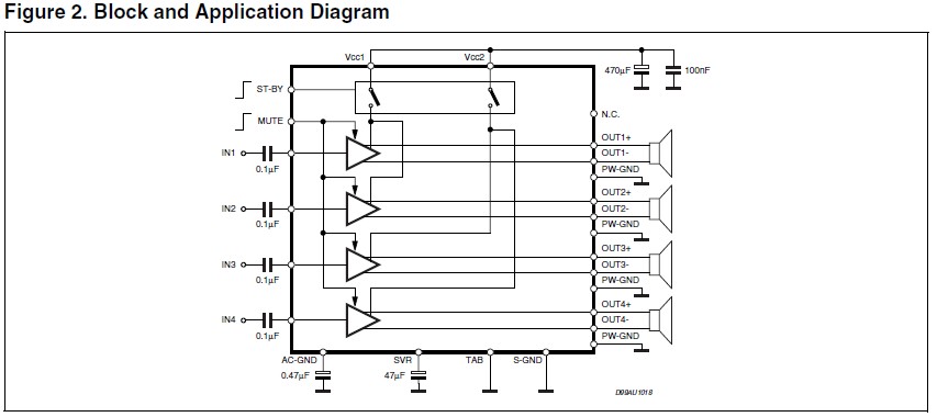
The TDA7388 is a new technology class AB Audio Power Amplifier in Flexiwatt 25 package designed for high end car radio applications. Thanks to the fully complementary PNP/NPN output configuration the TDA7388 allows a rail to rail output voltage swing with no need of bootstrap capacitors. The extremely reduced components count allows very compact sets.
Parametrics
Absolute maximum ratings: (1)VCC, Operating Supply Voltage: 18 V; (2)VCC (DC), DC Supply Voltage: 28 V; (3)VCC (pk), Peak Supply Voltage (t = 50ms): 50 V; (4)IO, Output Peak Current: Repetitive (Duty Cycle 10% at f = 10Hz): 4.5A; Non Repetitive (t = 100μs): 5.5A; (5)Ptot, Power dissipation, (Tcase = 70℃): 80 W; (6)Tj, Junction Temperature: 150 ℃; (7)Tstg, Storage Temperature: – 55 to 150 ℃.
Features
Features: (1)high output power capability; (2)4 x 41w/4ω max.; (3)4 x 25w/4ω @ 14.4v, 1khz, 10%; (4)low distortion; (5)low output noise; (6)st-by function; (7)mute function; (8)automute at min. supply voltage detection; (9)low external component count: internally fixed gain (26db); no external compensation; no bootstrap capacitors.
Diagrams

| Image | Part No | Mfg | Description | ![]() |
Pricing (USD) |
Quantity | ||||||||||||
|---|---|---|---|---|---|---|---|---|---|---|---|---|---|---|---|---|---|---|
![]() |
![]() TDA7388A |
![]() STMicroelectronics |
![]() Audio Amplifiers 4 x 42W Quad Bridge Car-Radio Amplifier |
![]() Data Sheet |
![]()
|
|
||||||||||||
![]() |
![]() TDA7388 |
![]() STMicroelectronics |
![]() Audio Amplifiers 4X41W QUAD BRDG CAR RADIO AMPLIFIER |
![]() Data Sheet |
![]()
|
|
||||||||||||
(China (Mainland))







